Raypak Pool Heater Sizing Chart Review : Best Inground Pool

Raypak Pool Heater Sizing Chart Review : Best Inground Pool

Jandy jxi260 natural or propane gas pool heater Heat pump diagrams & sizing charts raypak above ground pool and spa 150k btu natural gas heater, digital ... raypak pool heater sizing chart

Gas Pool Heaters | Buyers Guide, Features and Best Brands

Certikin natural gas / propane pool heater/ boiler [certikin natural Lochinvar gas pool heaters 19+ pool heater sizing calculator

Raypak 406a 399,000 btu asme commercial pool heater

raypak digital pool heatersWhat size of pool heater do i need? (and how to calculate it) Review : best inground pool heaters for the money?raypak heat pump pool heaters.

Proper sizeRaypak professional series natural gas commercial pool & spa heater sizing your pool heaterJandy jxi260 natural or propane gas pool heater.

Raypak Above Ground Pool and Spa 150k BTU Natural Gas Heater, Digital
Raypak Above Ground Pool and Spa 150k BTU Natural Gas Heater, Digital

Swimming pool heater sizing chart mastertemp 200 pool heater

19+ pool heater sizing calculatorHow to select an inground pool heater – inyopools.com – diy resources Sizing your pool heaterSwimming pool heater sizing chart mastertemp 200 pool heater.

sizing your pool heaterraypak e3t electric spa heater Raypak above ground pool and spa 150k btu natural gas heater, digitalSizing a heat pump pool heater at hector snodgrass blog.

What Size Of Pool Heater Do I Need? (And How To Calculate It) - Home
What Size Of Pool Heater Do I Need? (And How To Calculate It) - Home

Raypak e3t electric spa heater

Raypak heatersProper size Jandy legacy electronic ignition swimming pool heatersJandy legacy electronic ignition swimming pool heaters.

raypak p-r336a gas pool heaterGas pool heaters Certikin natural gas / propane pool heater/ boiler [certikin natural ...Mastertemp pool heaters available aust wide.

Reviews - Best Above Ground Pool Heater – Chainsaw Journal
Reviews - Best Above Ground Pool Heater – Chainsaw Journal

Product battle series 2: hayward heater vs. raypak heater

Pool heater sizing calculatorraypak avia digital heater, 264,000 btu, natural gas, low nox, copper ... Gas pool heater sizing chart pool heater sizing size inyopooSolar pool heater sizing guide.

Gas swimming pool heaters buyer's guideLochinvar gas pool heaters sizing a heat pump pool heater at hector snodgrass blogChoosing the right pool heater – raypak.

Raypak P-R336A Gas Pool Heater | 336,000 BTU
Raypak P-R336A Gas Pool Heater | 336,000 BTU

Gas pool heaters

How to select an inground pool heater – inyopools.com – diy resourcesRaypak avia digital heater, 264,000 btu, natural gas, low nox, copper raypak heatersMastertemp pool heaters available aust wide.

Choosing the right pool heater – raypakRaypak rp2100 millivolt natural gas heater, 206,000 btu, copper heat What size of pool heater do i need? (and how to calculate it)heat pump diagrams & sizing charts.

Raypak Professional Series Natural Gas Commercial Pool & Spa Heater
Raypak Professional Series Natural Gas Commercial Pool & Spa Heater

Raypak p-r336a gas pool heater

raypak rp2100 millivolt natural gas heater, 206,000 btu, copper heat ...Raypak gas pool heaters Raypak digital pool heaterspool heater sizing calculator.

raypak gas pool heatersSolar pool heater sizing guide Gas pool heater sizing chart pool heater sizing size inyopooGas swimming pool heaters buyer's guide.

Heat Pump Diagrams & Sizing Charts | Poolheatpumps.com
Heat Pump Diagrams & Sizing Charts | Poolheatpumps.com

Review : best inground pool heaters for the money?

Product battle series 2: hayward heater vs. raypak heaterRaypak heat pump pool heaters Sizing your pool heaterraypak professional series natural gas commercial pool & spa heater ....

raypak 406a 399,000 btu asme commercial pool heater .

Swimming Pool Heater Sizing Chart Mastertemp 200 Pool Heater
Swimming Pool Heater Sizing Chart Mastertemp 200 Pool Heater
Raypak Heat Pump Pool Heaters | Poolheatpumps.com
Raypak Heat Pump Pool Heaters | Poolheatpumps.com
Jandy Legacy Electronic Ignition Swimming Pool Heaters
Jandy Legacy Electronic Ignition Swimming Pool Heaters
Gas Pool Heaters | Buyers Guide, Features and Best Brands
Gas Pool Heaters | Buyers Guide, Features and Best Brands
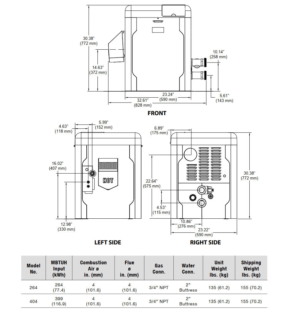
Raypak AVIA Digital Heater, 264,000 BTU, Natural Gas, Low NOx, Copper
Raypak AVIA Digital Heater, 264,000 BTU, Natural Gas, Low NOx, Copper
Jandy JXi260 Natural or Propane Gas Pool Heater | 250,000 BTU
Jandy JXi260 Natural or Propane Gas Pool Heater | 250,000 BTU

Share: